• Niedostępne
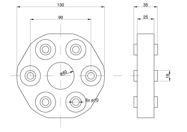
Sprzęgło gumowe O 40 Claas

Sprzęgło gumowe O 40 Claas

83,00 zł Brutto
67,48 zł Netto

Najniższa cena 83,00 zł od 22.01.2026

Ilość:
Niedostępne

Sprzęgło gumowe O 40 Claas

Indeksy zamienne: 608014

Zastosowanie:
CLAAS
KOMBAJN ZBOŻOWY
Crop Tiger
30 TERRA TRAC, 30 TERRA TRAC MID, 30 WHEEL
Dominator
100, 105, 130, 80, 85
Dominator 6
106, 56, 76, 86, 96
Dominator 8
68, 68 Classic, 68 S
HEDER DO KUKURYDZY
Corn Header
4R, 5R, 6R, 8R
Multimaster
6R70, 6R75, 6R80, MEGA, MULTIMASTER LEXION
R
4R70-SL, 4R75-S, 4

RM-608014
0 szt.

Brak recenzji użytkowników.

expand_less